Nội dung chính
Hiểu rõ cấu trúc vàsơ đồ hệ thống lạnh công nghiệplà “chìa khóa” để tối ưu hóa hiệu suất làm lạnh, đảm bảo an toàn cũng như kéo dài tuổi thọ cho hệ thống. Bài viết dưới đây của Điện máy Đặng Gia sẽ cung cấp thông tin chi tiết và đầy đủ nhất cho bạn đọc cùng tham khảo.
Hệ thống lạnh công nghiệp là gì?
Hệ thống lạnh công nghiệp là hệ thống làm mát diện rộng, dùng để kiểm soát nhiệt độ cho các không gian lớn và quy trình sản xuất công nghiệp. Mục đích là tạo không gian sống/ làm việc mát mẻ, dễ chịu; đồng thời đảm bảo chất lượng sản phẩm, hạn chế hư hỏng gây ảnh hưởng đến uy tín của nhà sản xuất.

Hệ thống lạnh công nghiệp
Hiện nay, hệ thống lạnh công nghiệp được ứng dụng phổ biến trong các tòa nhà, trung tâm thương mại, chung cư và nhiều lĩnh vực sản xuất công nghiệp như chế biến thực phẩm, sản xuất đồ uống, dược phẩm, hóa chất, nhà kho đông lạnh,...
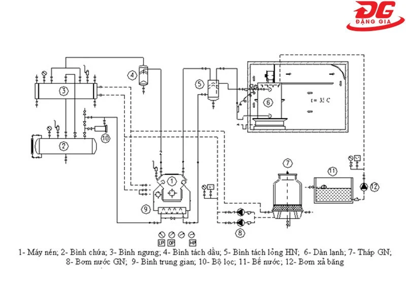
Sơ đồ hệ thống lạnh công nghiệp
Cấu tạo
- Hệ thống lạnh công nghiệp gồm nhiều thành phần khác nhau, mỗi thành phần đảm nhận chức năng riêng biệt giúp hệ thống vận hành ổn định và hiệu quả. Cấu tạo hệ thống làm lạnh gồm có:
- Máy nén (Compressor): Nén, tăng áp suất và đẩy môi chất lạnh đi tuần toàn trong hệ thống. Các loại máy nén dùng phổ biến là máy nén trục vít, máy nén piston, máy nén xoắn ốc,...

Máy nén lạnh trục vít
- Dàn ngưng (Condenser): Có nhiệm vụ thải nhiệt ra ngoài môi trường và ngưng tụ môi chất lạnh. Có 2 loại dàn ngưng phổ biến là dàn ngưng giải nhiệt bằng nước, dùng kết hợp với tháp giải nhiệt và dàn ngưng giải nhiệt bằng không khí.
- Thiết bị tiết lưu (Expansion Valve): Điều chỉnh áp suất, lưu lượng và nhiệt độ của môi chất khi di chuyển trong hệ thống.
- Dàn bay hơi (Evaporator): Hấp thụ nhiệt từ môi trường cần làm lạnh và làm bay hơi môi chất lạnh.

Bình bay hơi trong hệ thống lạnh
- Các thiết bị phụ trợ: Hỗ trợ cho hệ thống làm việc bền bỉ, hiệu quả và an toàn hơn. Tùy theo từng hệ thống sẽ có các thiết bị phụ trợ sau:
- Bình tách lỏng: Tách nước ra khỏi môi chất khi chúng ở dạng khí, đảm bảo an toàn cho máy nén.
- Bình chứa: Chứa môi chất lạnh.
- Bình trung gian: Thường có trong sơ đồ hệ thống lạnh công nghiệp đa cấp nén, lắp ở vị trí sau máy nén cấp thấp, có nhiệm vụ giảm tải cho máy nén cấp cao và đảm bảo hiệu suất làm việc ổn định cho hệ thống.
- Tháp giải nhiệt: Làm mát nước để giải nhiệt dàn ngưng.
- Bảng điều khiển: Theo dõi, điều khiển hệ thống hoạt động.

Bảng điều khiển thông minh của hệ thống lạnh
Nguyên lý hoạt động
Hệ thống lạnh công nghiệp hoạt động theo chu trình làm lạnh dựa trên chu kỳ nén của máy nén. Môi chất lạnh (chất làm lạnh) di chuyển tuần hoàn trong hệ thống và trải qua 4 giai đoạn khác nhau để giảm nhiệt độ cho không gian cần làm mát. Các giai đoạn đó là:
Nén: Môi chất được nén lên áp suất và nhiệt độ cao hơn, chuẩn bị cho quá trình trao đổi nhiệt tại dàn ngưng.
- Ngưng tụ: Tại dàn ngưng, môi chất dạng khí áp suất cao trao đổi nhiệt với nước hoặc không khí. Quá trình này làm hơi nóng nguội đi và ngưng tụ thành chất lỏng nhưng vẫn ở áp suất cao.
- Tiết lưu: Đi qua thiết bị tiết lưu, áp suất và nhiệt độ của môi chất giảm mạnh, chuẩn bị cho quá trình tiếp theo.
- Bay hơi: Môi chất lạnh đi vào dàn bay hơi, hấp thụ nhiệt từ môi trường cần làm lạnh và chuyển trạng thái từ lỏng thành hơi. Hơi áp suất thấp này sẽ quay trở lại máy nén để bắt đầu chu trình nén mới.
- Bốn giai đoạn trên lặp đi lặp lại liên tục, giúp duy trì nhiệt độ ổn định cho các khu vực hoặc quy trình sản xuất cần làm mát.

Sơ đồ nguyên lý hệ thống lạnh công nghiệp cơ bản
Các loại hệ thống làm lạnh công nghiệp
Hệ thống lạnh công nghiệp chia thành nhiều loại khác nhau tùy theo từng tiêu chí phân loại. Dưới đây là các hệ thống làm lạnh phổ biến:
Theo phương pháp làm lạnh
- Hệ thống làm lạnh bằng không khí: Dùng không khí để làm mát môi chất tại dàn ngưng. Hệ thống này có cấu tạo đơn giản, dễ lắp đặt, chi phí vận hành thấp, hiệu quả làm mát phụ thuộc vào điều kiện thời tiết.
- Hệ thống làm lạnh bằng nước: Dùng nước để làm mát môi chất tại dàn ngưng. Hệ thống có hiệu quả làm mát cao, phù hợp với các khu vực yêu cầu nhiệt độ thấp. Tuy nhiên, chi phí lắp đặt và vận hành cao do cần lắp thêm tháp giải nhiệt và bị hao hụt nước trong quá trình sử dụng.

Sơ đồ hệ thống lạnh công nghiệp chiller giải nhiệt nước
Theo chu trình làm lạnh
- Hệ thống làm lạnh 1 cấp: Chỉ có 1 quy trình làm lạnh duy nhất để làm mát môi chất lạnh. Hay nói cách khác, hệ thống lạnh 1 cấp chỉ sử dụng 1 máy nén. Hệ thống này có cấu trúc đơn giản, chi phí đầu tư thấp, phù hợp với yêu cầu làm mát cơ bản.

Sơ đồ hệ thống lạnh cơ bản có 1 cấp nén
- Hệ thống lạnh đa cấp: Có từ 2 chu trình làm lạnh trở lên. Hệ thống có hiệu quả làm cao, có khả năng giảm nhiệt độ xuống rất thấp, phù hợp với các ứng dụng cần làm lạnh sâu như bảo quản thực phẩm, dược phẩm, sản xuất đồ đông lạnh... Tuy nhiên chi phí đầu tư, vận hành tương đối cao.
Theo môi chất lạnh
- Hệ thống lạnh sử dụng môi chất lạnh hóa học: Ví dụ như R507, R22, R134a, R410a,... Hệ thống này có hiệu quả làm mát cao, được ứng dụng rộng rãi. Tuy nhiên, các môi chất lạnh hóa học có thể gây hại cho môi trường.

Một số loại môi chất lạnh hóa học
- Hệ thống lạnh sử dụng môi chất lạnh tự nhiên: Ví dụ như NH3, CO2,.... Loại môi chất này khá thân thiện với môi trường, giảm bớt ảnh hưởng đến tầng ozone. Tuy nhiên, nếu bị rò rỉ và không được xử lý đúng cách, môi chất lạnh tự nhiên có thể gây nguy hiểm với môi trường và sức khỏe con người.
Ngoài ra còn có nhiều tiêu chí phân loại hệ thống làm lạnh công nghiệp khác như:
- Phân loại theo mục đích sử dụng: Hệ thống nhà kho đông lạnh, hệ thống lạnh cho ngành công nghiệp chế biến thực phẩm, hệ thống lạnh cho ngành hóa chất,...
- Phân loại theo máy nén: Hệ thống sử dụng máy nén piston, máy nén trục vít, máy nén ly tâm,....

Sơ đồ hệ thống nhà kho lạnh công nghiệp
Ứng dụng của hệ thống lạnh công nghiệp
Với khả năng làm mát hiệu quả, hệ thống làm lạnh công nghiệp được ứng dụng đa dạng trong lĩnh vực sản xuất thương mại và đời sống. Cụ thể như sau:
Ngành thực phẩm
- Bảo quản đồ tươi sống như rau củ, hải sản, thịt cá,...
- Sản xuất thực phẩm đông lạnh như thịt đông, hải sản đông lạnh, đá viên, kem,...
- Kiểm soát nhiệt độ trong quá trình lên men, ủ và bảo quản nhiều loại đồ uống như nước trái cây, nước ngọt, bia, rượu,...

Kho lạnh bảo quản thịt, cá
Ngành dược phẩm
- Bảo quản thuốc, vắc xin,...
- Kiểm soát nhiệt độ các phản ứng hóa học phục vụ cho quá trình sản xuất thuốc,...
Ngành hóa chất
- Làm mát máy móc, trang thiết bị trong các nhà máy sản xuất hóa chất, hóa dầu để tránh hiện tượng quá nhiệt.
- Duy trì nhiệt độ phù hợp để các phản ứng hóa học diễn ra thuận lợi, an toàn,...
Các ứng dụng khác
- Bảo quản máu, mẫu sinh học, thiết bị y tế, làm mát phòng mổ,... trong ngành y tế.
- Ứng dụng làm xe tải đông lạnh, container lạnh,... phục vụ cho mục đích vận chuyển hàng hóa đường dài.
- Sử dụng trong hệ thống điều hòa trung tâm để làm mát tại các khu vực rộng như bệnh viện, trung tâm thương mại, văn phòng, khách sạn, khu công nghiệp,...
- Làm mát tại các nhà máy sản xuất linh kiện bán dẫn, điện tử, sản xuất nhựa, thép,...

Hệ thống làm lạnh công nghiệp chiller sử dụng tại các trung tâm thương mại
Ưu điểm của hệ thống lạnh công nghiệp
- Hiệu suất làm lạnh cao, tiết kiệm năng lượng
Hệ thống làm lạnh công nghiệp được thiết kế với công suất lớn, hiệu suất làm lạnh cao, nhanh chóng. Bởi vậy, hệ thống được sử dụng để duy trì nhiệt độ ổn định cho các không gian lớn hoặc phục vụ cho nhiều khu vực cần làm mát cùng lúc.
Bên cạnh đó, hệ thống còn được thiết kế với mục tiêu bền vững, sử dụng các giải pháp tiết kiệm năng lượng như công nghệ biến tần, dùng môi chất lạnh hiệu suất cao,... giúp tiết kiệm chi phí vận hành và góp phần giảm thiểu các tác động tiêu cực đến môi trường.
- Hoạt động liên tục, bền bỉ, độ ổn định cao
Hệ thống lạnh công nghiệp có khả năng hoạt động 24/7 nhờ sản xuất từ các vật liệu bền bỉ, cao cấp và ứng dụng công nghệ hiện đại. Điều này rất quan trọng đối với các ứng dụng công nghiệp cần duy trì nhiệt độ ổn định 24/24 để không làm gián đoạn sản xuất cũng như giảm chất lượng sản phẩm.

Các ưu điểm của hệ thống làm lạnh công nghiệp
- Linh hoạt tùy chỉnh hoặc mở rộng theo nhu cầu
Đây là một ưu điểm nổi bật của hệ thống lạnh công nghiệp. Đơn vị có thể nâng cấp hoặc mở rộng từ hệ thống cũ mà không cần thay thế toàn bộ, vừa đảm bảo hiệu quả sản xuất vừa tối ưu chi phí đầu tư.
- Tính tự động hóa, độ an toàn cao
Hệ thống làm lạnh công nghiệp có khả năng tự động hóa cao nhờ trang bị nhiều thiết bị hiện đại như bộ điều khiển và giám sát thông minh, hệ thống báo động khi có rò rỉ, chống quá tải, cảm biến nhiệt độ/ áp suất,... Từ đó, giúp người dùng vận hành hệ thống hiệu quả và an toàn hơn.
Cách vận hành hệ thống lạnh công nghiệp
Ngoài sự hiểu biết về sơ đồ hệ thống lạnh công nghiệp và nguyên lý hoạt động, bạn cần tuân thủ theo đúng quy trình vận hành để đảm bảo hệ thống hoạt động hiệu quả, ổn định và an toàn nhất. Dưới đây là các bước cơ bản khi vận hành hệ thống lạnh:
Bước 1: Kiểm tra hệ thống
- Kiểm tra tình trạng hoạt động của các bộ phận chính như máy nén, dàn ngưng tụ, van tiết lưu, ống dẫn môi chất,...
- Kiểm tra môi chất lạnh và bổ sung nếu cần thiết.
- Kiểm tra áp suất, hệ thống nước làm mát, bảng điều khiển, nguồn điện,...
Bước 2: Khởi động, theo dõi hệ thống
Khởi động hệ thống làm lạnh theo đúng hướng dẫn của nhà sản xuất. Trong suốt quá trình hệ thống làm việc, cần liên tục theo dõi hoạt động của máy nén và các thông số như nhiệt độ, áp suất, lưu lượng nước,... Khi có sự cố, cần dừng hệ thống và xử lý ngay lập tức.

Chú ý theo dõi quá trình hoạt động của hệ thống
Bước 3: Tắt hệ thống
Khi không sử dụng hoặc cần bảo trì, cần tắt hệ thống theo đúng quy trình để đảm bảo an toàn và hạn chế sự cố làm hỏng thiết bị. Trước tiên cần tắt máy nén để giảm áp lực trong hệ thống. Đợi máy nén ngưng hẳn thì tắt quạt dàn ngưng tụ, dàn bay hơi, máy bơm nước tháp giải nhiệt.
Sau khi tắt, tiến hành kiểm tra toàn bộ hệ thống, đảm bảo không có sự cố nào xảy ra trong quá trình tắt máy.
Bước 4: Bảo dưỡng hệ thống
Trong quá trình sử dụng, các đơn vị cần chú ý bảo trì hệ thống làm lạnh công nghiệp định kỳ tùy theo tần suất sử dụng và môi trường hoạt động. Quá trình bảo dưỡng gồm có các công việc sau:
Làm sạch dàn ngưng tụ, dàn bay hơi, tháp giải nhiệt.
- Kiểm tra, bảo dưỡng, bổ sung/ thay dầu máy nén.
- Vệ sinh các bộ lọc, kiểm tra tình trạng rò rỉ môi chất, bôi trơn các bộ phận chuyển động,...
- Kiểm tra bảng điều, cảm biến, hệ thống điện,...
- Kiểm tra, bổ sung môi chất lạnh cho hệ thống.
- Bổ sung nước cho tháp giải nhiệt, bảo dưỡng máy bơm tháp giải nhiệt,...
- Thay thế các chi tiết, bộ phận bị hao mòn,...

Bảo dưỡng hệ thống định kỳ
Trên đây là bài viết chia sẻ chi tiết về sơ đồ hệ thống lạnh công nghiệp và các thông tin liên quan. Hy vọng sẽ giúp bạn mở rộng kiến thức và hiểu rõ hơn về hệ thống làm mát này nhé.